您好,欢迎访问江苏泰新空调制造有限公司官网!
网站地图
联系我们
全国咨询热线
13338881331
网站首页
关于我们
公司简介
企业文化
厂房厂貌
企业资质
部分业绩
服务承诺
产品中心
空调机组
消防风机系列
风机盘管机组
消防阀门系列
新风换气机系列
风口散流器
组合式空调机组
消声器、静压箱
油烟净化器系列
空调配件系列
新闻动态
企业新闻
行业新闻
资质证书
检测报告
认证证书
在线留言
联系我们
网站首页
>
产品中心
>
消防风机系列
空调机组
消防风机系列
风机盘管机组
消防阀门系列
新风换气机系列
风口散流器
组合式空调机组
消声器、静压箱
油烟净化器系列
空调配件系列
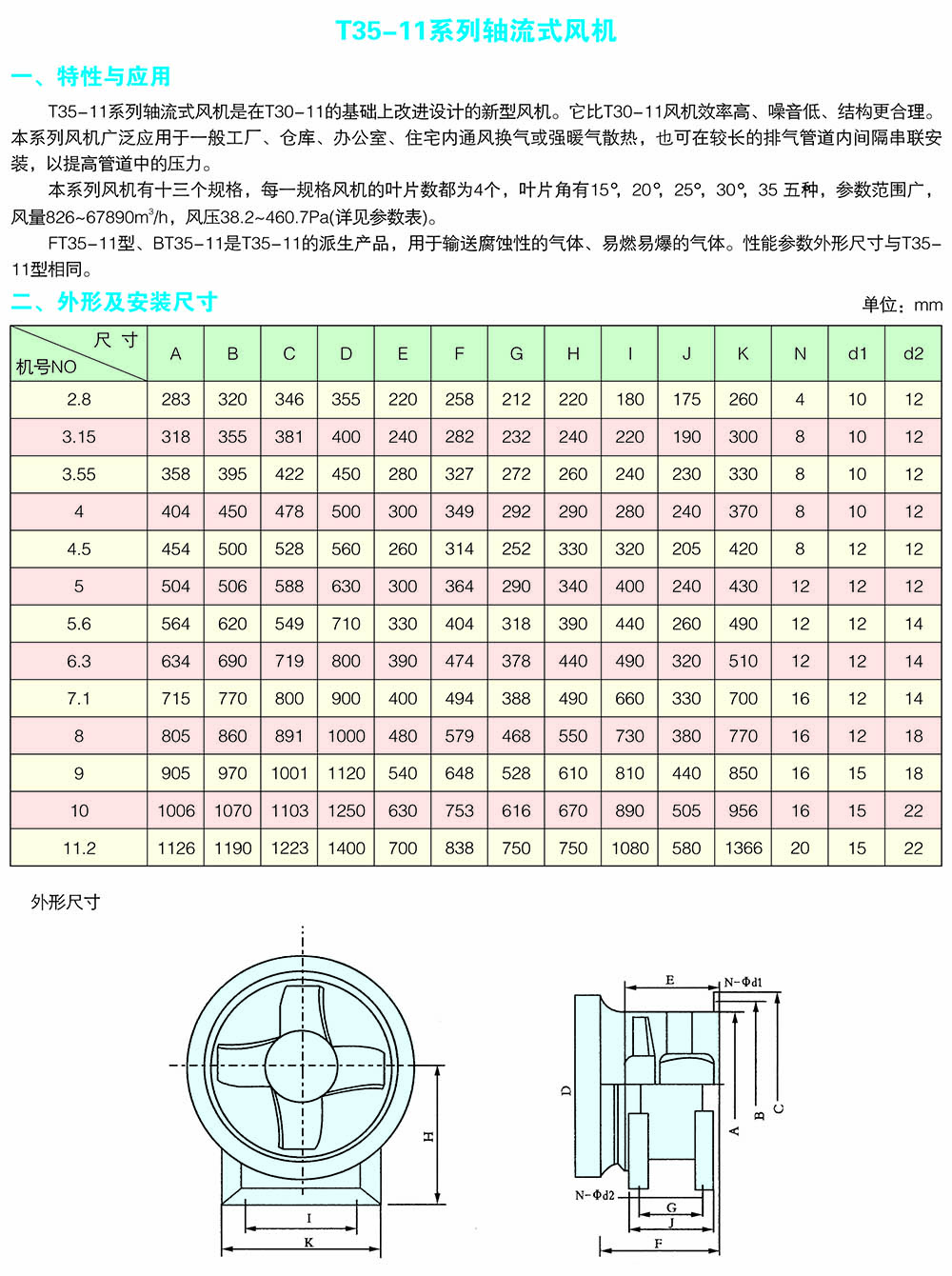
T35-11系列轴流式风机
T35-11系列轴流式风机是在T30-11的基础上改进设计的新型风机。他比T30-11风机效率高、噪音低、结构更合理。本系列风机广泛应用于一般工厂、仓库、办公室、住宅内通风换气或强暖气散热,也可在较长的排气管道内间隔串联安装,以提高管道中的压力。
联系电话:
13338881331
立即咨询
在线留言
产品详情
上一篇:
GXF斜流式风机
下一篇:
DWT系列轴流式屋顶风机
产品推荐
组合式空调机组
远程射流空调机组
新风净化箱
Copyright 江苏泰新空调制造有限公司
备案号:苏ICP备2022044420号
18936810988
微信二维码